LINEALES
CIRCUITOS
DSTAR
CONTROLES DE TONO
MICROS
PROYECTOS
ESQUEMAS
RADIOS ANTIGUAS EA3OM
100 AÑOS DE RADIOAFICION
EA4HH
FOTOGRAFIAS
ENLACES
GESTION
MI NUEVO LINEAL
LINEAL HF CASERO
LINEAL LAMPARA 813
TREMENDUS
ZETAGI BV131
AMERITRON AL-811H
K707
HARRIS
LAMPARAS
CHOQUE ALTA TENSION
LINEAL CON 3CX1500
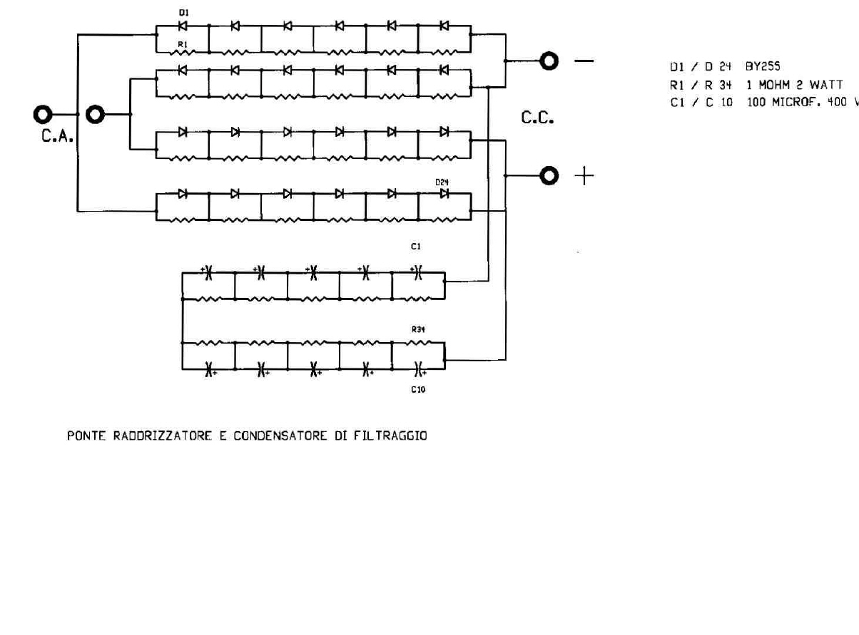
FUENTE ALIMENTACION AT
MEDIDOR DE POTENCIA
PI DE ENTRADA
PI DE SALIDA
LINEAL DE GRANJA
General:
Inicio
FUENTE ALIMENTACION AT
Versión imprimible
OSONARADIO
RADIOSTOCK
TELSTAR
ARISTON
EA1URO
CLUSTER DXFUN